冷却塔供冷正确应用
本技术内容是:1.总则;2.负荷侧系统设计;3.冷源侧系统设计;4.冷却塔供冷系统的控制;5.节能计算和经济比较。
总则
1.0.1 北京地区同时符合下列条件的工程,宜在冬季采用冷却塔供冷:
1建筑物存在面积和发热量较大、需全年供冷才能保证空调区域的舒适度基本要求的内区;
2上述内区采用风机盘管加新风系统,且风机盘管能够独立送冷水(水系统采用分区二管制或四管制);
3新风量及新风温度不能消除室内余热。
【说明】冬季内区应优先采用室外新风消除室内余热。一些工程内区面积或冷负荷过小,或内区采用全空气系统,是没有必要设置冬季供冷水系统的,盲目设置会造成投资增加和新的能源浪费。
1.0.2 冷水机组的单台容量和台数的选择,应能适应空调负荷全年变化规律,满足季节变化及部分负荷要求;最小冷水机组容量宜按仅内区供冷的负荷确定。
【说明】此条是考虑以下因素制定的:⑴在室外气象参数不满足冷却塔制冷条件,但建筑物仅需为内区较小负荷开启冷水机组供冷时,冷水机组应能满足负荷的调节量;⑵尽量利用为冷水机组配备的设备以减少一次投资。
1.0.3 应以延长冷却塔的供冷时间,减少开启制冷机时间为主要节能环节:
1 冬季冷却塔供冷工况下的房间设计标准应以保证基本舒适为原则,温度取值不宜过低,根据房间标准和使用性质,可考虑一定的不保证率,以尽量提高空调冷水和冷源水温度。
2 在保证主要节能环节的条件下,适当注意循环泵输送功率和高效率运行等问题。
1.0.4 应考虑系统配置的经济性和合理性:
1室内风机盘管宜按夏季工况选定,不应增大过大;冬季应充分发挥风机盘管最大供冷能力。
2系统配置和控制应尽量简化,以最大限度地减少一次投资,并应满足下列要求:
1)应采用为冷冻机配置的冷却塔,确定其中的1台或几台作为冬季冷源设备,并采取防冻等措施。冷却塔供冷工况时流经冷却塔的流量不应大于冷却塔额定流量;且不应小于冷却塔额定流量的50%。
2)空调冷水循环泵应尽量利用按夏季工况选定的设备,有条件时宜变流量运行。
3)冷源水循环泵应尽量利用为冷冻机配置的冷却水泵,且应为定流量运行。
4)循环水泵和换热器等设备容量应与供冷量匹配。
3 冷却塔供冷系统宜采用开式冷却塔通过换热器间接供冷的方案;如拟采用闭式冷却塔直接供冷的系统,应进行经济比较计算后确定。
4 冷却塔供冷时选用的设备,特别是为冷却塔供冷新增水泵、换热器等设备可不考虑备用。
【说明】限制流经冷却塔流量的最低值和要求冷源水泵为定流量运行,都是为了防止气温过低时冷却塔冻结。
1 负荷侧系统设计
2.1.1 冬季内区供冷房间设计温度宜高于外区供暖房间的计算温度,内区办公用房可设定为24~25℃,内区商场可设定为22~23℃。
2.1.2 冬季应按风机盘管干工况运行考虑,室内冬季供冷负荷应按房间的显热负荷确定,不应采用夏季工况时的全热负荷。
【说明】采用显热负荷的原因是:⑴由于冬季房间湿度较低,露点温度也较低,冷却塔供冷水温条件下,风机盘管一般为干工况运行;⑵冷却塔供冷仅为解决或改善内区房间温度过高但不开冷水机组制冷的节能措施,对湿度控制没有严格的要求。
2.1.3 冬季新风送风温度应按下列原则确定:
1 新风送风温度应低于内区供冷房间冬季设计温度,且不应高于外区采暖房间的设计温度,以负担一部分室内冷负荷。
2 新风最低送风温度应考虑以下因素确定:
1)与室温的温差不得大于《采暖通风与空气调节设计规范》(GB50019-2003)(现规范要求:GB50736-2012民用建筑供暖通风与空气调节设计规范)的有关规定;
2)应考虑采用的新风加湿方式对新风温度的要求;
3)风机盘管仅供应空调冷水时,应按室内发热量最低情况下,办公用房室温不低于18℃,商场室温不低于16℃确定。
2.1.4 冬季供冷房间风机盘管负担冷负荷应按下式进行计算:
qf=(αqn-qx)/n =(αqn- 0.337Lx(tn-tx))/n (2.1.4)
式中 qf——冬季供冷房间内单台风机盘管负担冷负荷(W);
α——保证系数,根据设计标准和房间的重要性,可取α=1.0~0.8;
qn——冬季供冷房间显热冷负荷(W);
qx——冬季新风负担供冷房间的显热冷负荷(W);
n ——房间内布置的风机盘管台数;
Lx——房间新风量(m3/h);
tn——冬季内区供冷房间室温(℃);
tx——冬季新风送风温度(℃)。
2.2 冷却塔供冷工况时空调冷水温度、供冷量和流量的确定
2.2.1 风机盘管宜按下列要求按夏季工况选择:
1 夏季风机盘管在室内温湿度和供回水温度工况下、中档风量运行时,应能满足室内冷负荷要求。
2 夏季新风宜处理至室内等湿状态,其负担的室内冷负荷可忽略不计,以适当提高风机盘管的冷却能力。
2.2.2 冬季冷却塔供冷时,风机盘管的最大供冷能力可按风机高档运行考虑。
2.2.3 房间空调冷水最高供、回水温度tL1和tL2应如下确定:
1 tL1和tL2应能保证夏季已选定的风机盘管能够满足冷却塔供冷工况时风机盘管负担冷负荷qf,风机盘管不同工况时的冷却能力参数应由生产厂计算提供,缺少资料时可参考附录A估算。
2 tL1不应小于7℃,当风机盘管的tL1为7℃时仍不能满足应负担冷负荷qf时,应考虑提高冬季内区供冷房间设计温度tn,或降低房间保证系数α,重新计算风机盘管负担冷负荷qf。
注:风机盘管的“标准工况”条件如下:
1)风机为中档风量运行;
2)进口(室内)空气状态:采用国家标准规定的标准试验工况,干、湿球温度分别为27℃和19.5℃(相对湿度为50%);
3)机组供水状态:采用国家标准规定的标准试验工况,供水温度7℃,供回水温差5℃,水流量为标准冷量的对应数值。
2 风机盘管“冷却塔供冷工况”条件如下:
1)风机为高档风量运行;
2)进口空气状态:干球温度为冬季室内计算温度,相对湿度定为30%。
3)机组水流量与标准工况相同。
2.2.4 可采用各典型空调房间风机盘管空调冷水最高供、回水温度tL1和tL2中的最小值(如允许个别房间不保证,也可选用较小值)作为系统空调冷水计算温度。并用该房间风机盘管负担冷量qf和与风机盘管在标准工况时的供冷量qb之比作为整个内区的总负荷比值β。
2.2.5 冷却塔供冷工况时系统所需供冷量可按下式简化计算确定:
Q=∑0.001 qf≈β·Qb(2.2.5)
式中:Q——冷却塔供冷工况时系统所需总供冷量(kW);
qf——各房间单台风机盘管负担冷负荷(W),见式(2.1.4);
Qb——冷却塔供冷工况时内区各房间风机盘管标准工况供冷量qb的总和(kW),qb见2.2.3;
βz——建筑物内需冬季供冷的房间风机盘管负担总冷量与风机盘管在标准工况时的总供冷量之比,按2.2.4确定。
2.2.6 冷却塔供冷时系统空调冷水总流量应按下式确定:
GL=0.86Q/(tL2-tL1)(2.2.6)
式中:GL——冷却塔供冷时空调冷水总流量(m3/h);
Q ——冷却塔供冷工况时系统所需总冷量(kW),见式(2.2.5)
tL2、tL1——系统最高回水和供水温度(℃),按2.2.4确定。
2.3.1 空调冷水采用二次泵变流量系统举例
如图2.3.1所示,空调水系统为分区二管制,空调冷水系统采用二次泵系统,二级泵为变频变流量运行。此系统除为冬季冷却塔供冷增加了板式换热器外,负荷侧没有增加新设备,是较为经济的配置。其注意事项如下:
1 宜利用二级泵作为冬季空调冷水的循环泵使用,不再另外设置循环泵。系统接管应注意冬季使用板换时不使用定流量运行的一级泵。
2 进行二级泵的台数和规格配置时,应同时考虑夏季和冬季的冷负荷量和流量及其调节范围。
【说明】一台(或几台)泵的流量最好与内区风机盘管空调冷水环路的流量匹配,防止即使在冬季满负荷时大流量泵也在低频低效率下运行,且不能满足小负荷时的调节范围。如按夏季配置相同水泵时单台水泵流量过大,或按冬季负荷配置相同水泵数量过多,可按大小泵同时并联运行考虑设置与冬季小负荷匹配的小泵。应与过渡季室外温度已不能满足冷却塔供冷而需开启冷冻机、而外区还不需供冷时,冷冻机的大小匹配的问题统一考虑。
3 应校核冬季空调冷水流量和阻力变化的情况下,对设计工况下二级泵流量、扬程的影响。
【说明】二级泵扬程是按夏季负荷侧管网和设备阻力确定的,冬季增加了板换阻力,在夏季采用大于5℃的供回水温差时,内区环路冬季流量和阻力也有所增加。但冬季内区供冷流量远小于夏季满负荷时系统总供冷流量,机房内冷水干管管径按大流量配置,干管阻力减小很多;且板换阻力一般较小,订货时也可提出限制要求。因此,当夏季采用标准5℃供回水温差时,冬、夏季水泵运行工况的阻力可认为大致相同;如夏季采用大于5℃的供回水温差,应按水泵特性曲线校核二级泵流量扬程范围是否能满足冷却塔供冷工况的需要。
冷水机供冷:阀1开、阀2关
冷却塔供冷:阀2开、阀1关
图2.3.1 空调冷水采用二次泵变流量系统举例
2.3.2 空调冷水采用一次泵定流量系统举例
1 如冷冻机配置了大小冷机,且某单台冷机的空调冷水泵流量与内区供冷流量相同或相似,可以利用该水泵作为冷却塔供冷的空调冷水循环水泵。如图2.3.2-1所示。
【说明】此系统也仅增设了板换,一次投资较小。但由于冷机要求定流量,冬季使用板换时水泵也定流量运行不如变流量运行节能。如要求该水泵冬夏季能够进行变流量和定流量运行的控制转换,相对增加了变频设备投资,并使控制系统复杂。
2 冷却塔供冷采用专用空调冷水循环泵。如图2.3.2-2所示。
【说明】此系统循环泵完全按冬季供冷工况的流量和管网阻力配置,且可以变流量运行。但增加了水泵和变频设备投资。

冷水机组供冷:阀1开、阀2关
冷却塔供冷:阀2开、阀1关
图2.3.2-1 空调冷水采用一次泵定流量系统举例
(不设冷却塔供冷专用循环泵)
图2.3.2-2 空调冷水采用一次泵定流量系统举例
(设置冷却塔供冷专用循环泵)
2.3.3 采用冰蓄冷系统举例
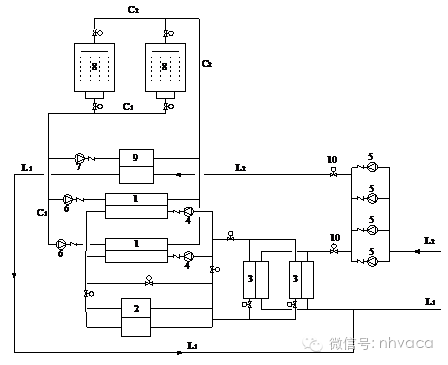
如图2.3.3所示,空调冷水侧为变频变流量系统,系统特点和设计注意事项可参考2.3.1。

1.双工况主机 2.蓄冰装置 3.冰蓄冷板换 4.乙二醇循环泵5.空调冷水循环泵 6.冷却水循环泵 7.冷源水循环泵 8.冷却塔 9.冷却塔制冷板换 10.冷却塔制冷工况转换电动阀
图2.3.3 冰蓄冷系统采用冷却塔制冷
2 冷源侧系统设计
3.1 冷源侧流量、水温和室外温度的确定
3.1.1 冷源水流量和冷源水供回水温差应符合以下关系式:
Q=1.163GcΔtc (3.1.1)
式中:Q ——冷却塔供冷工况时总冷量(kW),见式(2.2.5);
Gc ——冷源水总循环水量(m3/h);
Δtc——冷源水供回水温差(℃)。
3.1.2 冷源水温差Δtc应按下列原则确定:
1 应考虑设备配置中(见3.2的系统配置举例)能够采用的冷源水循环泵流量对温差的限制;
2 不应过大,以尽量提高能够满足要求的室外湿球温度tw,延长使用冷却塔供冷时间;
3 不宜小于2℃,以防止流量Gc过大,消耗水泵电能过多。
【说明】对于同一冷却塔,Δtc越小,要求冷却塔温降越小,可以在较高室外湿球温度情况下使用,但水泵流量大需要电能较多;但冷冻机功率远大于水泵功率,一般应以前者的节能为主;但Δtc也不宜过小,一般以2℃为界。
3.1.3 冷却塔供应的一次冷源水供水温度应如下确定:
1 当Δtc≤(tL2-tL1)时,tc1=tL1-Δtx (3.1.3-1)
2 当Δtc>(tL2-tL1)时,tc1=tL2-Δtx-Δtc(3.1.3-2)
3 tc1不应小于5℃,当tc1计算结果小于5℃,应调整Δtx或Δtc。
Δtc——冷源水供回水温差(℃);
tL1——空调冷水最高供水温度(℃);
tL2——空调冷水最高回水温度(℃);
tc1—— 冷源水最高供水温度,即冷却塔出水温度(℃);
Δtx——换热器温差较小端一二次介质温差(℃),宜取1~2℃。
3.1.4 应根据冷却塔供冷工况时冷源水循环水量Gc、冷源水供水温度tc1、冷源水供回水温差Δtc等,通过冷却塔的供冷能力特性曲线,确定所要求的室外湿球温度tw。反映冷却塔在不同水量、不同冷源水供水温度要求时的水温和温降,以及对应的室外空气湿球温度tw的特性曲线,应由冷却塔生产厂家通过实测资料提供。当缺少资料时,可参考附录B。(附录不提供)
3.2 冷源设备的配置举例
3.2.1 当系统低负荷时使用的小冷机对应的冷却水循环泵流量能够满足冬季冷却塔供冷工况所需供冷量时,宜采用该泵作为冬季冷却塔供冷的冷源水循环泵。
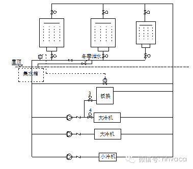
1 例1:如图3.2.1-1所示,该冷却塔冬季冷却水量为夏季工况冷却水量(额定水量)的100%。系统的设计特点如下:
1) 有冻结危险的地区冷源冷却塔可以在室内设置集水箱,使塔底盘无积水,补水也设在室内水箱处,节省了塔底盘和补水管的电伴热设施和冬季防冻用电量。如不设置集水箱,集水盘和管道应设置电伴热。
2) 由于大冷机在外区不送冷时不使用,对应冷却水管道上不设置旁通管和温控电动阀;仅在冬季使用的小冷却塔供回水管道上设置旁通管和温控电动阀。且应注意根据使用冷冻机还是使用板换,电动旁通阀的动作温度设定值不同;使用冷冻机时,水温应控制在冷凝器允许最低水温(一般电制冷机组为15.5℃)以上,使用板换时,水温应控制在不冻结温度以上(一般电动阀旁通温度为5℃)。
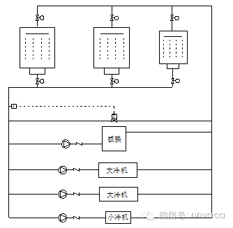
2 例2:如图3.2.1-2所示,冬季通过阀门转换为大冷机对应的冷却塔作为冬季冷源,即该冷却塔冬季冷却水量与夏季冷却水量(额定水量)之比小于100%,但不应小于50%。系统的设计特点如下:
1) 大冷却塔的填料换热面积较大,在同样的水量下冷却能力比例1更强。
2) 大冷机冷却水供回水管之间需设置旁通管和温控电动阀,阀的动作和水温控制的设定值也需根据使用冷冻机还是使用板换进行转换。小冷机有可能在室外气温相对较低但又不使用冷却塔供冷的过渡季使用,因此也设置旁通管和温控电动阀。
3) 由于冬季水泵和冷却塔的对应关系改变,冬季使用的大冷却塔进出口电动阀与对应大冷机冷却水循环泵连锁开闭的控制关系应解除。

冷水机组供冷:阀4开、阀3关;冷却塔供冷:阀4关、阀3开
图3.2.1-1 冷却塔供冷系统冷源侧例1
冷水机组供冷:阀4开、阀3、5关;冷却塔供冷:阀4关、阀3、5开
图3.2.1-2 冷却塔供冷系统冷源侧例2
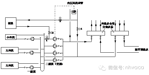
3.2.2 如图3.2.2所示,当1台大冷冻机的冷却水循环泵流量能够满足冬季冷却塔供冷工况所需供冷量时,宜采用该泵作为冬季冷却塔供冷的冷源水循环泵。系统的设计特点如下
1 冬季冷却塔供冷时,可以使用1台对应冷却塔,即该冷却塔冬季冷却水量为夏季冷却水量(额定水量)的100%。必要时也可以使用2台冷却塔,即冷却塔冬季冷却水量与夏季冷却水量(额定水量)之比为50%,以提高对冷源水的冷却能力;但冬季使用的大冷却塔进出口电动阀与对应大冷机冷却水循环泵连锁开闭的控制关系应解除。
2 冷却水供回水管上需设置旁通管和温控电动阀,水温控制的温度设定值也需根据使用冷冻机还是使用板换进行转换。
3 冬季不使用的冷却塔和室外管道应泄空防冻,或在室内设置集水箱。
冷水机组供冷:阀4开、阀3关;冷却塔供冷:阀4关、阀3开
图3.2.2 冷却塔供冷系统冷源侧例3
3.2.3 当冷冻机对应的冷却水循环泵流量均不能与冬季冷负荷匹配的情况,可另外设置专用冷源水循环泵,如图3.2.3所示。系统的设计特点如下:
1 另设置专用冷源水循环泵,增加了水泵的投资。
2 可以选用任一冷却塔作为冬季冷源,但应保证冷却塔额定冷却水量不能小于水泵流量,即该冷却塔冬季冷却水量与夏季冷却水量之比不应大于100%。冬季使用的大冷却塔进出口电动阀与对应大冷机冷却水循环泵连锁开闭的控制关系应解除。
3 防冻措施同上。
图3.2.3 冷却塔供冷系统冷源侧例4
3.2.4 夏季为冰蓄冷系统,冬季采用冷却塔供冷时系统例见图 2.3.3。
3.2.5 作为冷源设备的冷却塔宜选用防冻性能较好的产品。
【说明】冷却塔一般在温度最低的进风口处和填料处最易发生冻结,对于不同类型的冷却塔,容易结冰的程度不同:
1 横流塔:大面积填料暴露在进风处,且处于半干半湿状态相对易结冰。
2 轴流风机设在上部的引风式逆流塔:除小面积进风口处外,填料基本处于有一定流速的水流包围中,相对横流塔不易结冰。
3 离心风机设在下部的半封闭式鼓风式逆流塔:进风腔无水不会结冰;填料也基本处于有一定流速的水流包围中,也不易结冰。
3 冷却塔供冷系统的控制
4.0.1末端风机盘管控制与常规系统控制相同,应设置水路温控阀。
4.0.2 应进行空调冷水的供冷量控制。举例如下:
1 采用二次泵系统的二级泵作为冷却塔供冷工况的空调冷水循环泵时(见图2.3.1),应根据末端风机盘管所需负荷的变化(水路温控阀的开启),控制循环水泵的转数和运行台数。
【说明】与冷冻机供冷时相同,一般采用压差控制水泵转数,流量控制水泵运行台数。
2 一次泵定流量系统采用为冷冻机配置的水泵作为冷却塔供冷工况的空调冷水循环泵时(见图2.3.2-1),应根据末端风机盘管所需负荷变化,控制总供、回水管之间电动旁通阀的开度。
【说明】与冷冻机供冷相同,一般采用控制系统供回水压差恒定的方法。缺点:循环泵定流量运行不如变流量运行节能;优点:设备和控制简单。因冷冻机供冷时未考虑水泵变流量的节能问题,相对功率小和运行时间短的冷却塔供冷工况也可不考虑水泵配置变频设备,以免增加投资和增加定流量和变流量运行的转换控制环节。
3 一次泵定流量系统另设专用泵作为冷却塔供冷工况的空调冷水循环泵时(见图2.3.2-2),循环泵应为变频水泵,控制同本条1款。
4 采用一次泵(变频)变流量系统的夏季水泵作为冷却塔供冷工况的空调冷水循环泵时,控制同本条1款。
4.0.3 冷源水流量可采用如下控制:
1 当冷却塔供冷的冷源水循环泵采用2台或2台以上时,可将夏季空调冷水供水温度(例如7℃)作为冷却塔供冷时空调冷水最低供水设定温度,控制冷源水循环泵的开启台数。
2 当只设1台冷源水循环泵,或多台泵通过上述水温控制只有1台泵运行时,不需再通过水温对水量进行控制。
【说明】1 由于气温降低使冷源水温度低于最高设计值时,使空调冷水供水温度也低于最高设计值tL1;如一些房间冷负荷高于考虑了不保证率的设计负荷,或要求更低的室温、更高的舒适度时,可以满足这些房间风机盘管对较低冷水温度的要求;因此无需将tL1控制在设计最高值。
2 空调冷水温度如略低于夏季数值,也只是使风机盘管供冷能力加强,温控阀关闭时间长和数量多,但空调冷水循环泵采用变频控制时,转数、流量、运行功率减少,也是节能运行,因此仅在设置多台泵时采取简单的台数调节控制,没有必要精确控制通过换热器一次水量。
4.0.4 应进行冷源水的防冻控制,举例如下:
1 冷源水供水温度低至5℃时冷却塔风机停止运行,升高至某温度(低于最高设计温度)时恢复运行。
2 对于风机设在上部的吸风式冷却塔,风机应定期反方向运行,防止空气进口附近结冰。
3 应在冷源水供、回水管之间设置旁通管和电动调节阀,或利用冷冻机供冷时设置的旁通管和电动调节阀。旁通阀冬季动作宜为开关控制,以免流经冷却塔水流量过小,使塔内部发生冻结。冷却塔出水温度低于5℃时打开旁通阀,升高至某温度(低于最高设计温度)时关闭旁通阀,水温维持在允许范围内。
4.0.5 系统应根据室外湿球温度进行冷冻机制冷和冷却塔供冷的工况转换:
1 工况转换宜采用自动控制。
2 应根据室外湿球温度进行工况转换,其设定值可参考3.1.4中计算所得tw的数值,并根据实际运行实践确定。
3 冷却塔供冷工况时应转换以下主要内容,制冷机制冷时进行相反转换:
1)冷冻机和冷却塔供冷时不使用的水泵停机;
2)当采用一次泵定流量系统,且不设置单独的空调冷水循环泵时,作为冷却塔供冷时使用的空调水循环泵与对应冷冻机的连锁关系解除;
3)空调冷水和冷源水水路电动阀的转换;
4)冷却塔供冷和冷冻机制冷合用冷源水(冷却水)温度控制的旁通电动阀时,温度设定温度转换到冷却塔供冷工况温度(例如5℃),且模拟量调节转换为开关量控制。
冷却塔供冷运行时间、节能计算和经济比较
5.1.1 可根据3.1.4得出的满足最高冷源水温要求的室外湿球温度和北京地区逐时室外湿球温度的气象参数,预测冷却塔供冷运行时间。逐时室外湿球温度宜采用《中国建筑热环境分析专用气象数据集》(中国气象局气象信息中心气象资料室、清华大学建筑技术科学系著)中“典型气象年”数据。
5.1.2 冬季内区供冷应在室内人员较多、负荷较高、容易过热的时刻使用;一天内冷却塔供冷运行时刻应根据工程的使用性质确定,办公建筑可取8:00~18:00,大型商场、娱乐场所等可取为9:00~22:00。
5.1.2 北京地区全年常用冷却塔供冷时间见附录D。
5.2 节能计算
5.4 节能计算与经济比较公式中的变量
1 Q:冬季供冷房间满负荷时所需总供冷量(kW),见式(2.2.5);
2 Qe:冬季冷冻机供冷时运行的冷冻机额定制冷量(kW);
3 γ:负荷小时平均系数,办公类建筑可取γ=0.6,商场、餐饮、娱乐可取γ=0.7;
4 λ:考虑冷水机组冬季供冷工况冷却水温偏低等因素的修正系数,取λ=0.9;
5 IPLV:冷冻机综合部分负荷性能系数,可参考《公共建筑节能设计标准》(GB50189-2005)中表5.4.6,按冷冻机的类型和额定制冷量Qe确定;
6 COP:冷冻机额定工况性能系数,可参考《公共建筑节能设计标准》(GB50189-2005)中表5.4.5冷冻机的类型和额定制冷量Qe确定;
【说明】因冬季夜间冷却水温很低,一般控制在《蒸气压缩循环冷水(热泵)机组工商用和类似用途的冷水(热泵)机组》(GB/T18430.1-2001)规定的变工况性能温度范围的最低值15.5℃,远低于额定工况的30℃,对提高性能系数有利;但冰蓄冷系统制冰时乙二醇水温又低于7℃的额定工况,使冷水机组的性能系数降低;综合上述冷凝器侧和蒸发器侧的有利因素和不利因素,认为二者相互抵消,冬天冷水机组制冰时性能系数采用额定工况数值。
7 Nb1:冷却水泵轴功率(kW);
8 Nb2:冷源水泵轴功率(kW);
9 Nb3:单台乙二醇循环泵轴功率(kW);
10 G1:冷却水泵流量(m3/h);
11 G2:冷源水泵流量(m3/h);
12 G3:单台乙二醇循环泵流量(m3/h);
13 H1:冷却水泵扬程(m);
14 H2:冷源水泵扬程(m)。
15 H3:单台乙二醇循环泵扬程(m);
16 η:水泵效率,各用途水泵可统一取η=0.6。
17 h:全年或计划供冷期内冷却塔供冷总小时数(h),采用冰蓄冷时也为乙二醇循环泵白天为内区供冷融冰运行时间的总小时数(h),北京地区相应参数见附录C;
18 hz:全年内区供冷时刻(h);
19 hy:同时开启的乙二醇循环泵冬季夜间制冰折合成单台运行时间的总小时数(h);
20 EL:冬季供冷时开启的冷冻机能耗(kW·h);
21 Eb1:冬季冷冻机制冷时开启的冷却水泵能耗(kW·h);
22 Eb2:冬季冷冻机制冷时开启的冷源水泵能耗(kW·h);
23 A:当地单一制电价(元/(kW·h));
24 Ad:当地夜间低谷电价(元/(kW·h));
25 Ag:当地高峰电价(元/(kW·h));
26 Ap:当地平峰电价(元/(kW·h));
27 $i:增加的冷源水系统各种设备单价(万元),可咨询供应商获得;
28 $k:DDC自动监控系统每个监控点平均单价(包括软件编制等)(万元),可咨询供应商获得,估算时可取500~600元/点;
29 Δ$1:采用冷却塔供冷全年节省的运行费用(万元);
30 Δ$2:采用冷却塔供冷增加的工程造价(万元);
31 n :增加的同种设备的数量;
32 m :增加监控点的数量,新增电动设备的监控点的监控项目和控制点数可参考表5.4
33 θ:考虑设备直接费中的人工、材料费的系数,可取θ=1.2;
34 δ:考虑设备间接费的系数,可取δ=1.25;
35 Y:增加初投资的回收期(年)。
表5.4 冷却塔供冷常用系统主要增加设备及其监控点统计
|
新增电动设备 |
监控项目 |
每台设备新增监控点数 |
|
|
板式换热器 |
二次水出水温度监测(1) |
1 |
|
|
专用空调冷水变频泵 |
水泵变频控制(1);水泵变频器的故障、输出反馈监测、启停控制(3);管路的压力压差监测(2) |
6 |
|
|
专用冷源水循环泵 |
水泵的故障、运行状态、手/自动状态监测(3)、启停控制(1) |
4 |
|
|
负荷侧自动工况转换电动阀 |
阀的开关状态监测(1)、开关控制(1) |
2 |
|
|
冷源侧自动工况转换电动阀 |
2 |
|
注:括号内数值为监控点数量。



